Email Us

KYK0415GF Micro Air Valve

Get a Quote
Products

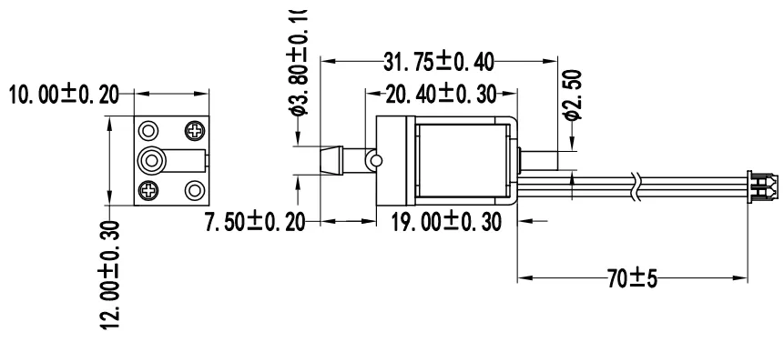
Specification of 0415GF Micro Air Valve

PRODUCT PERFORMANCE
Specification of 0415GF Micro Air Valve
Rated Voltage3.7V5V7.5V
Rated Current300mA210mA250mA
Resistance(Ω)10~30Ω
Exhaust time400mmHg 100CC tank, exhaust <3S
Use fluidsAir
Airtightness400mmHg 100CC tank, leakage <3mmHg/MIN
Life test500H (1.7s on , 0.8s off)
Weight16g
principal applicationMassage chair oxygen generator aromatherapy machine atomizer


Get Touch With Keyukang Now!

Don't hesitate to email us or use our contact data if you have any question.