Email Us

KYK0520GH Micro Air Valve

Get a Quote
Products

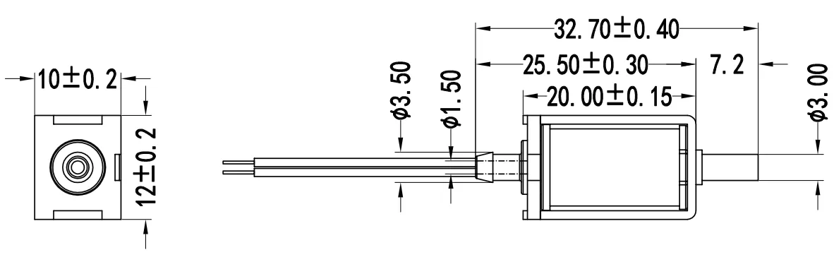
Specification of 0520GH Micro Air Valve

PRODUCT PERFORMANCE
Specification of 0520GH Micro Air Valve
Rated Voltage3.7V12V
Rated Current460mA170mA
Resistance(Ω)5~70Ω
Exhaust time400mmHg 100CC tank, exhaust <3S
Use fluidsAir
Airtightness400mmHg 100CC tank, leakage <3mmHg/MIN
Life test500H (1.7s on , 0.8s off)
Weight50g
principal applicationBreast pump deflation valve, beauty instrument


Get Touch With Keyukang Now!

Don't hesitate to email us or use our contact data if you have any question.