Email Us

KYK0526GQ Micro Air Valve

Get a Quote
Products

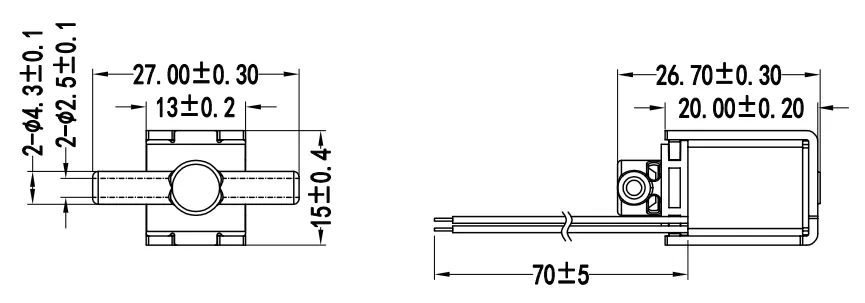
Specification of 0526GQ Micro Air Valve

PRODUCT PERFORMANCE
Specification of 0526GQ Micro Air Valve
Rated Voltage3.7V6V12V24V
Rated Current500mA300mA220mA160mA
Resistance(Ω)14~98Ω
Exhaust time400mmHg 100CC tank, exhaust <3S
Use fluidsAir
Airtightness400mmHg 100CC tank, leakage <3mmHg/MIN
Life test500H (1.7s on , 0.8s off)
Weight17g
principal applicationInduction instrument, beauty instrument, breast pump


Get Touch With Keyukang Now!

Don't hesitate to email us or use our contact data if you have any question.