Email Us

KYK0837GE Micro Water Solenoid Valve

Get a Quote
Products

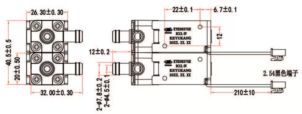
Specification of 0837GE Micro Water Solenoid Valve

PRODUCT PERFORMANCE
Specification of 0837GE Micro Water Solenoid Valve
Rated Voltage3.7V6V12V24V
Rated Current850mA450mA400mA290mA
Resistance(Ω)5~80Ω
Exhaust time400mmHg 100CC tank, exhaust <3S
Use fluidsAir、water
Airtightness400mmHg 100CC tank, leakage <3mmHg/MIN
Life test500H (1.7s on , 0.8s off)
Weight95g
principal applicationHydrogen and oxygen small bubble DC mini air release valve


Get Touch With Keyukang Now!

Don't hesitate to email us or use our contact data if you have any question.