Email Us

KYK12APM Micro Positive Pressure Pump

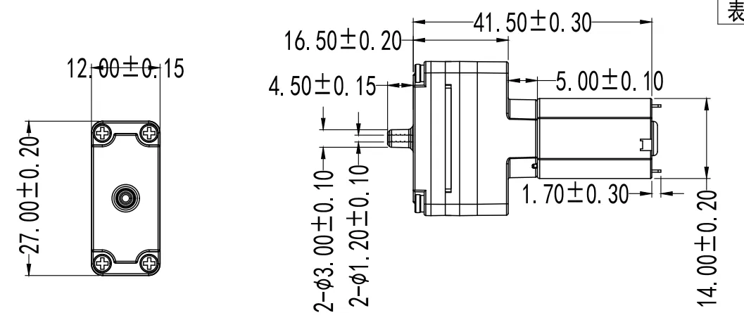
The KYK12APM is an ultra-compact micro pump (47mm length, 27×12mm profile) designed for space-constrained devices. It delivers robust performance with a flow rate >1.2L/min and pressure >270mmHg while maintaining low noise (<55dB). Supporting a flexible 3V-12V range for easy lithium battery integration, it is widely used in robot vacuums and portable massagers. Its design ensures minimal negative pressure, providing safe, gentle inflation for delicate applications—such as eye massagers—without risking skin discomfort or injury.


Get a Quote
Products

Specification of 12APM Micro Positive Pressure Pump

PRODUCT PERFORMANCE
Specification of 12APM Micro Positive Pressure Pump
Rated Voltage3.0V6.0V
Rated Current400mA200mA
Air Flow1.2L/min
Pressure>450mmHg
Leakage<3mmHg/min from 300mmHg at 100CC tank
Noise<56dB(30 cm away)
Life test500H (10s on , 7s off)
Weight14g
principal applicationEye massager, Sphygmomanometer


Get Touch With Keyukang Now!

Don't hesitate to email us or use our contact data if you have any question.