Email Us

KYK2748FPW Mini Foam Pump

Get a Quote
Products

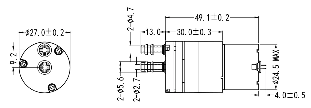
Specification of 2748FPW Micro Diaphragm Water Pump

PRODUCT PERFORMANCE
Specification of 2748FPW Micro Diaphragm Water Pump
Rated Voltage3V6V12V24V
Rated Current1100mA900mA450mA120mA
Water Flow0.6~0.9L/min
Pressure>15PSI
Mediumwater


Noise62dB(30 cm away)
Life test500H (10s on , 7s off)
Weight40g
principal applicationWater dispenser self-priming pump tea bar machine tea


Get Touch With Keyukang Now!

Don't hesitate to email us or use our contact data if you have any question.
Products
Related Mini Foam Pump