Email Us

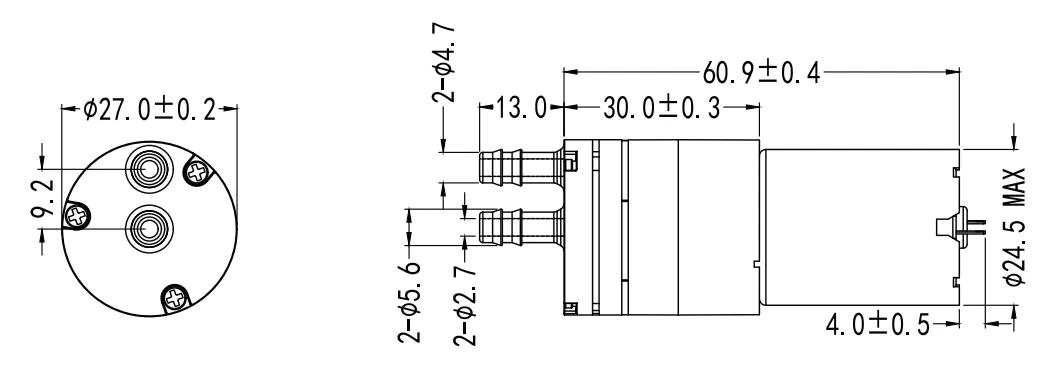
KYK27EPW Micro Diaphragm Water Pump

Get a Quote
Products

Specification of 27EPW Micro Diaphragm Water Pump

PRODUCT PERFORMANCE
Specification of 27EPW Micro Diaphragm Water Pump
Rated Voltage3.7V6V12V24V
Rated Current1100mA900mA450mA120mA
Water Flow0.6~0.8L/min
Pressure>15PSI
Mediumwater


Noise62dB(30 cm away)
Life test500H (10s on , 7s off)
Weight60g
principal applicationSweeping robot, water spraying floor mopping vacuum cleaner


Get Touch With Keyukang Now!

Don't hesitate to email us or use our contact data if you have any question.