Email Us

KYK38APM Micro Positive Pressure Pump

Get a Quote
Products

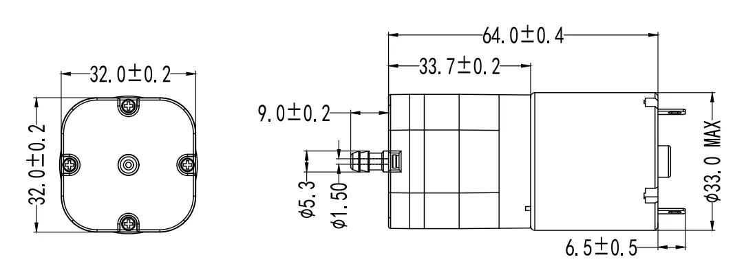
Specification of 38APM Micro Positive Pressure Pump

PRODUCT PERFORMANCE
Specification of 38APM Micro Positive Pressure Pump
Rated Voltage3.7V6V12V24V
Rated Current1300mA800mA500mA300mA
Air Flow5.0L/min
Pressure>780mmHg
Leakage<3mmHg/min from 300mmHg at 100CC tank
Noise<65dB(30 cm away)
Life test500H (10s on , 7s off)
Weight100g
principal applicationOxygen injection instrument, electric sprayer, mist disinfection


Video of 38APM Micro Positive Pressure Pump

Video of 38APM Micro Positive Pressure Pump

Get Touch With Keyukang Now!

Don't hesitate to email us or use our contact data if you have any question.