Email Us

KYK38VPM Miniature Vacuum Pump

The KYK38VPM micro air pump is powered by a high-efficiency DC motor, delivering balanced power output, rapid response, and maintaining low temperature rise and low energy consumption during extended operation. Its structure features a compact, integrated layout of the motor and pump body, with a short, smooth internal air path that significantly reduces energy loss and operational noise.

Key moving parts, including wear-resistant bearings and a high-precision drive mechanism, minimize friction and vibration for stable output. The housing, a combination of high-strength engineering plastic and metal, provides an excellent balance of light weight and impact resistance with strong anti-aging properties. This balance of performance and longevity makes the KYK38VPM a trusted choice for B2B clients, ideal for bulk kitting in applications such as medical therapy devices, smart home appliances, and environmental monitoring instruments.


Get a Quote
Products

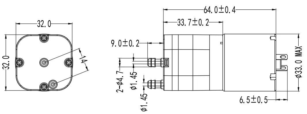
Specification of 38VPM Micro Negative Pressure Pump/Miniature Vacuum Pump

PRODUCT PERFORMANCE
Specification of 38VPM Micro Negative Pressure Pump/Miniature Vacuum Pump
Rated Voltage3.7V6V12V24V
Rated Current1300mA800mA500mA300mA
Air Flow5.0L/min
Pressure>780mmHg
Leakage<3mmHg/min from 300mmHg at 100CC tank
Noise<65dB(30 cm away)
Life test500H (10s on , 7s off)
Weight100g
principal applicationBreast pump vacuum pump! Atomizer, massager air pump


Get Touch With Keyukang Now!

Don't hesitate to email us or use our contact data if you have any question.