Email Us

KYK60APM Miniature Vacuum Pump

The KYK60APM is a high-performance micro air pump developed for mid-to-high-end equipment where powerful and continuous operation is critical. It is driven by a high-power 600-series DC motor, which provides high torque and stable output, maintaining efficiency even under high loads and during long duty cycles. The motor's design incorporates a thickened carbon brush, an optimized magnetic circuit, and a reinforced heat dissipation structure, all of which contribute to a significantly extended service life.

Pneumatic performance is enhanced by a pressurized air path and an enlarged diaphragm, achieving a higher flow rate, faster pressure buildup, and more stable output within a compact form factor. Through structural vibration reduction and chamber noise reduction, the pump operates smoothly and quietly, making it suitable for applications with strict user experience requirements. Its reliability and performance make it a preferred component for smart therapy devices, air quality monitors, industrial inspection tools, and medical auxiliary equipment.


Get a Quote
Products

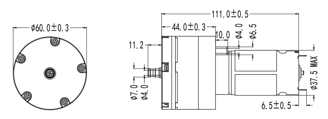
Specification of 60APM Micro Negative Pressure Pump/Miniature Vacuum Pump

PRODUCT PERFORMANCE
Specification of 60APM Micro Negative Pressure Pump/Miniature Vacuum Pump
Rated Voltage3.7V6V12V24V
Rated Current1700mA1000mA1500mA500mA
Air Flow5.0~20.0L/min
Pressure>825mmHg
Airtightness<3mmHg/min from 300mmHg at 100CC tank
Noise<65dB(30 cm away)
Life test500H (10s on , 7s off)
Weight300g
principal applicationSpecial air pump for sprayer disinfection atomizer


Get Touch With Keyukang Now!

Don't hesitate to email us or use our contact data if you have any question.